Suche simple Not-Aus Funktion

 
XXLRay
Moderator
Avatar
Geschlecht: keine Angabe
Herkunft: Süd-Niedersachsen
Homepage: xxlray.bplaced.net
Beiträge: 6877
Dabei seit: 11 / 2007
Betreff:

Re: Suche simple Not-Aus Funktion

 · 
Gepostet: 23.12.2015 - 10:18 Uhr  ·  #21
Ob du eine mechanische Bremse brauchst, hängt davon ab, was dein Windrad so aushält.

Zitat geschrieben von Nutzi
Werden meine Enten drin baden und umkippen. Oder der freilaufende Hund draus saufen.

Alten Wäschekorb mit nem Stein als Beschwerung drüberstülpen.
FamZim
*!*!*!*!*
Avatar
Geschlecht:
Alter: 77
Beiträge: 2308
Dabei seit: 08 / 2014
Betreff:

Re: Suche simple Not-Aus Funktion

 · 
Gepostet: 23.12.2015 - 10:25 Uhr  ·  #22
Hallo

Vor 5 Jahren hab ich ein paar Messungen gemacht in einem anderen Forum.
Da kann das Verhalten von Generatoren im Grenzbereich heraus gelesen werden.
Besonders Drehmomente und Stromwerte sind dann bei weitem nicht mehr linear und schwer berechenbar.
Stört Euch nicht an den hohen Drehzahlen, das ist in allen Drehzahlbereichen fast gleich:

Drehzahl--- Moment--- Motor V--- Motor A--- Gen.V (Y)- Gen.Strom- Mess Spule
3500 --------20 -------34,4------3,3---------22,6------------0------3,25
3370 --------40 -------33,9------5,5---------21,0------------0------3,09
3010 -------120--------32,6-----13,6---------15,2-----------11,4----2,41
2930 -------140--------32,0-----15,7---------14,0-----------13,7----2,21
2870 -------160--------31,6-----17,9---------11,9-----------17,1----1,9
2860 -------164--------31,5-----18,4---------10,0-----------19,4----1,62
2880 -------160--------31,7-----17,7----------8,5-----------21,0----1,41
3070 --------97--------32,5-----11,2----------2,9-----------24,0----0,75
U/min-------Ncm---------V--------A------------V-------------A-------V

Auch bringt der Generator bei halber " Lehrlaufspannung " (durch Belastung) die gröste Leistung.
Die Angabe Innen-Wiederstand gleich Aussen-Wiederstand ist demnach nicht koreckt.
Die Spannung sinkt nicht durch Spannungsverbrauch am CU Wiederstand sondern durch Feldschwächung bz verdrängung im Generator.
Die ganzen Versuche stehen dort:
http://www.rc-network.de/forum…Generator-!
Ich denke Mari kann da viel mit anfangen :-)

Gruß Aloys.
Nutzi
***
Avatar
Geschlecht: keine Angabe
Alter: 55
Beiträge: 27
Dabei seit: 11 / 2015
Betreff:

Re: Suche simple Not-Aus Funktion

 · 
Gepostet: 23.12.2015 - 21:22 Uhr  ·  #23
Was bedeuted das übersetzt für Laien auf die Auslegung des Laswiderstands ?
Mari
**
Avatar
Geschlecht: keine Angabe
Herkunft: Schleswig-Holstein
Alter: 59
Beiträge: 20
Dabei seit: 12 / 2015
Betreff:

Re: Suche simple Not-Aus Funktion

 · 
Gepostet: 24.12.2015 - 00:33 Uhr  ·  #24
Nabend Nutzi,

es bedeutet erstmal, dass du deinen Rotor vielleicht endgültig nicht sicher elektrisch bremsen kannst. Wenn die Drehzahl über einen kritischen Punkt ansteigt, holt der Generator WENIGER Energie aus dem Rotor, je höher die Drehzahl wird. Die Maximaldrehzahl hängt dann überwiegend von der Windgeschwindigkeit und den aerodynamischen Verlusten des Rotors ab. Ab welcher Drehzahl dein Generator abfällt müsstest du wahrscheinlich ausprobieren (siehe den von Aloys verlinkten Thread), wenn das für dich überhaupt wichtig ist.

Für mich heisst es, dass ich auf dem richtigen Weg bin, wenn ich meinem kleinen Maschinchen eine Reibungsbremse verpasse, weil der Generator ohnehin schon am nächsten an diesem Limit ist, wenn ich unbedingt bremsen will. Über eine solche Bremse solltest du auch nachdenken. Umherfliegende Rotorteile sind nicht witzig.

Für die Bemessung von Lastwiderständen für den 'Normalbetrieb' bedeutet es aber nicht so sehr viel. Für deinen 500Watt-Generator machst du es wie oben beschrieben und du kannst die Maximalleistung verheizen, fertig.

Frohes Fest :-)

Mari
Erdorf
Moderator
Avatar
Geschlecht:
Alter: 55
Beiträge: 3507
Dabei seit: 12 / 2009
Betreff:

Re: Suche simple Not-Aus Funktion

 · 
Gepostet: 24.12.2015 - 16:33 Uhr  ·  #25
Hallo Nutzi,

Du gehst die Sache etwas zu kompliziert an,
das macht nichts, immerhin lernst du dein System so besser kennen.

In deinem Fall ist es viel einfacher:

Die PV wird weiterhin über den MPPT-Solarregler an einem 120 AH Solarakku (Bleiakku nass) angeschlossen.
Das Windrad, nach einem Kurzschussschalter, Gleichrichter und eventuell einer Sicherung (ich würde die weg lassen),
direkt ungeregelt an den Akku.

An den Akku dann parallel den Tristar 45 mit Dumpload im Diversion Load Betrieb.
Der Tristar 45 wird so eingestellt, dass er recht spät, 14.5 V ... 15V das dumpen anfängt.
Der Tristar 45 arbeitet wie ein Überdruckventil und lässt nur das ab, was über der eingestellten Spannung liegt.
Er regelt dabei die Dumpload per PWM stufenlos, eben genau so viel wie gerade nötig um die Spannung zu halten.

Wichtig, ist das die Spannung des Tristar etwa 0.5 V höher liegt, als die Spannung die der MPPT-Solarregler zur Verfügung stellt.
Damit der MPPT-Solarregler vorher die Solarleistung abriegelt.

So konfiguriert arbeitet der Tristar 45 und die angeschlossene Dumpload nur in Sonderfällen,
z.B. wenn gleichzeitig viel PV und Wind da ist und der Akku recht voll ist.
Diese Zustände sind eher selten, jedoch müssen die und werden dann von deinem System korrekt behandelt.
Sporadische Ladungen bis 15 V sind bei einem flüssigen Blei Akku, kein Problem, im Gegenteil, das tut dem Akku sogar gut.
Eventuelle Energie, die zu viel ist, vergast der Akku einfach.

Also bleibt nur noch die Frage welche Dumpload in welcher Dimension, sinvoll ist.
Das ist keine Ersatzlast - der Akku bleibt immer am Windrad angeschlossen und wird so auch immer mit Leistung aufnehmen.

Der Tristar 45 kann maximal 45 A dumpen, die Dumpload darf also niemals mehr als 45 A ziehen,
sonst schaltet sich der Tristar 45 ab und das war es mit dumpen. Ich würde also maximal mit 40 A belasten,
und hätte das auch noch oder gerade wenn 16 V Systemspannung vorhanden sind.
Daraus ergibt sich mit R =U/I ein Betriebswiederstand von mindestens 0.4 Ohm.
Will man Standard 12 V Technik verwenden, ergibt sich eine Nennleistung von maximal 12.0V * 12.0V / 0.4 Ohm = 360 Watt.

Ich würde nichts selber basteln sondern Standard 12 V KFZ Technik verwenden, z.B. Heizlüfter.
Beim selber Basteln müsste berücksichtigt werden, dass der verwendete Draht nicht zu heiß
wird und dass sich sein Widerstand durch die Temperatur ändert.
Die sichere Funktionsweise muss man durch Tests und Messen nachweisen können ...

Ich würde z.B. 3 der folgenden Heizlüfter (je 120Watt Nennleistung) parallel schalten: Heizlüfter 12 V/120Watt

Hierdurch hat man dann eine recht günstige 360W Dumpload (bei 15 V dann 450W ) und ein wenig Redundanz,
wenn z.B. ein Lüfter ausfällt laufen dann immerhin noch zwei weitere.

Grüße und ich wünsche noch viel Spaß bei deinem Projekt.
Nutzi
***
Avatar
Geschlecht: keine Angabe
Alter: 55
Beiträge: 27
Dabei seit: 11 / 2015
Betreff:

Re: Suche simple Not-Aus Funktion

 · 
Gepostet: 24.12.2015 - 18:45 Uhr  ·  #26
Ich danke allen für die hilfreichen und praktischen Tipps :happy: und wünsche euch erholsame Feiertage.
Hab nun auch mal bissel Zeit zum nachdenken, bastel und rumschrauben :fgrin:
Erdorf
Moderator
Avatar
Geschlecht:
Alter: 55
Beiträge: 3507
Dabei seit: 12 / 2009
Betreff:

Re: Suche simple Not-Aus Funktion

 · 
Gepostet: 24.12.2015 - 21:14 Uhr  ·  #27
Hallo Nutzi,

ich habe in meinem Beitrag noch ein mal die maximale Dumpload Nennleistung Leistung für 12 V Technik korrigiert.
Ich hatte übersehen, dass z.B. eine Nennleistung bei 12 V, beim Dumpen bei dann 15 V einen höheren Strom produziert.

Der Dumpstrom darf nie mehr als 45 A betragen, sonst schaltet der tristar ab.

Also besser 3 x 120 W Nennleistung nehmen was dann bei 15 V zu etwa 450 Watt wird.

Grüße
Nutzi
***
Avatar
Geschlecht: keine Angabe
Alter: 55
Beiträge: 27
Dabei seit: 11 / 2015
Betreff:

Re: Suche simple Not-Aus Funktion

 · 
Gepostet: 28.12.2015 - 08:26 Uhr  ·  #28
Guten Morgen an Alle, ich hoffe ihr habt die Weihnachtstage erfolgreich überstanden :P
Ich heisse übrigens Karsten , sorry dass ich meinen Namen vorher nicht verraten habe O-)

Also bei uns war reichlich Wind, so habe ich einige Tests machen können und neue Erfahrungen gesammelt.
Der Tristar läuft einwandfrei, als Dump hab ich Heizdrahtwicklungen dran, Länge und Widerstand auf 42 A und 0,3 Ohm.
Über die Feiertage habe ich den Akku vollgeladen, der Tristar hat den Überschuss prima verheizt.

Die Geschichte Überspannungsschutz , die Schaltung habe ich fertig, Auslösung eingestellt bei 15,5 V. Allerdings kann ich nicht sofort volle Last auf das Windrad schalten. Ich habe den Widerstand meines Generators (DC-Motors) mal gemessen, komme auf 3,2 Ohm. Hab mit einem 2. Meßgerät 3,4 Ohm gemessen (Widerstand der Meßkabel natürlich abgezogen). Das würde ja bedeuten dass ein Lastwiderstand von 0,3 Ohm faktisch ein Kurzschluß im Generator macht ? Messsen kann ich den Widerstand nur einseitig, wenn ich die Kabel tauschen hab ich keinen Durchgang. Da deutet darauf hin dass ein Gleichrichter ingetriert ist ?

Hab mit Heizdraht einen Lastwiderstand auf 3 Ohm gewickelt, allerdings knallt der viel zu extrem rein. Viel zuviel Drehmoment durch die hohe Rotormasse auf den kleinen Generator, das Runterbremsen geht viel zu schnell und kraftvoll.
Das hört man sogar akkustisch.
Denke das macht der Generator so nur ein paar mal mit....
Überlegung ist jetzt, die Schaltung 3-Stufig zu machen. Also den Lastwiderstand im Prinzip durch 3 zu ersetzen, und diese einzeln bei 15,5V 16,0V und 16,5 V draufzuschalten. Oder zeitanhängig über ne Einschaltverzögerung.

Weiterhin muss ich meine Übersetung Rotor Generator vergrößern. Zur Zeit habe ich Ladespannung von 12 V erst bei ca. 30km/h Wind erreicht. Das Windrad dreht dabei schon ziemlich schnell ohne Strom zu bringen.
Testweise kann ich bei dieser Drehzahl auch schon 1A Last ziehen ohne das WR abzuwürgen.
Momentan habe ich eine Übersetzung 1:3, diese werde ich mal durch 1:5 ersetzen.
FamZim
*!*!*!*!*
Avatar
Geschlecht:
Alter: 77
Beiträge: 2308
Dabei seit: 08 / 2014
Betreff:

Re: Suche simple Not-Aus Funktion

 · 
Gepostet: 28.12.2015 - 11:00 Uhr  ·  #29
Hallo

Im Beitrag 22 kann man herauslesen das das größte Bremsmoment bei 80 % Kurzschlußstrom erreicht wirt.
Bei höherem Strom sinkt das Drehmoment wieder. :fgrin:
Darum darf der Gesammtstrom nicht höher ausfallen um die Drehzahl zu senken.
Sinkt die Drehzahl, dann sinkt auch die Spannung wieder und der Strom im Dump natürlich auch.
Da ist zum Abstellen ein normaler Wiederstand nicht so geeignet.
Der müsste dann regelbar sein um den " Bremsstrom " bei zu behalten.

Gruß Aloys.
Erdorf
Moderator
Avatar
Geschlecht:
Alter: 55
Beiträge: 3507
Dabei seit: 12 / 2009
Betreff:

Re: Suche simple Not-Aus Funktion

 · 
Gepostet: 28.12.2015 - 12:50 Uhr  ·  #30
Hallo Nutzi,

Zitat
... als Dump hab ich Heizdrahtwicklungen dran, Länge und Widerstand auf 42 A und 0,3 Ohm ...

Wenn das der Kaltwiderstand (z.B. gemessen ist) dann passt das. Wenn das der Nennwiderstand bei Nenntemperatur ist,
ist es etwas zu wenig und du läufst unnötig Gefahr dass sich der Tristar bei extremen Situationen abschaltet.
Ich hatte ja berechnet, das bei z.B. 16 V und 0.4 Ohm 40A fließen ...

Zitat
Die Geschichte Überspannungsschutz , die Schaltung habe ich fertig, Auslösung eingestellt bei 15,5 V.

Was genau für eine Schaltung hast du verwendet, eine PWM Schaltung?
Gibt es einen Link ...
Wenn das keine PWM Schaltung ist, nützt dir die Schaltung nichts, weil die viel zu krass die Dumpleistung schaltet.
Selbst drei Stufen sind unbrauchbar, weil quasi permanent hin und her geschaltet wird.

Zitat
Ich habe den Widerstand meines Generators (DC-Motors) mal gemessen, komme auf 3,2 Ohm.

Hmm, wenn da ein Gleichrichter drin verbaut ist, dann stimmt deine Messung vermutlich nicht.
Du kannst dann den Innenwiederstand abschätzen, indem du - bei konstanter Drehzahl - Leerlaufspannung misst
dann belastest und Strom und Spannung unter Last misst.
Der Innenwiderstand ergibt sich dann ungefähr aus: (ULeer - U)/I

Grüße
Nutzi
***
Avatar
Geschlecht: keine Angabe
Alter: 55
Beiträge: 27
Dabei seit: 11 / 2015
Betreff:

Re: Suche simple Not-Aus Funktion

 · 
Gepostet: 28.12.2015 - 16:32 Uhr  ·  #31
Zitat geschrieben von Erdorf

Zitat
... als Dump hab ich Heizdrahtwicklungen dran, Länge und Widerstand auf 42 A und 0,3 Ohm ...

Wenn das der Kaltwiderstand (z.B. gemessen ist) dann passt das.

Ja, ist der Kaltwiderstand. Und ist der Dump für den Tristar.


Zitat
Die Geschichte Überspannungsschutz , die Schaltung habe ich fertig, Auslösung eingestellt bei 15,5 V.
Was genau für eine Schaltung hast du verwendet, eine PWM Schaltung?
Gibt es einen Link ...


Die Schaltung soll bei einem einstellbarem Spannungswert eine Ersatzlast schalten. Nur für den Fall dass der Tristar-Regler aus irgendwelchem Grund aussteigt.
Zum einen nötig um um den Tristar vor Überspannung am Eingang zu schützen, zum andern um das Leerdrehen des Windrads zu vermeiden. Ich habe versucht den Rotor in Leerlauf bei etwa 50km/h damit eine Ersatzlast (den Dump von oben) draufzuschalten, da klang schon akkustisch ungesund, weil der Generator wie sau bremst, das Windrad aber recht massiv ist mit viel bewegter Masse.
Daher die Überlegung das ganze 3-Stufig zu schalten. Also 3 Lastwiderstände kurz hintereinander. Also wenig Last, mittlere Last, viel Last.



Zitat
I
Du kannst dann den Innenwiederstand abschätzen, indem du - bei konstanter Drehzahl - Leerlaufspannung misst
dann belastest und Strom und Spannung unter Last misst.
Der Innenwiderstand ergibt sich dann ungefähr aus: (ULeer - U)/I


Das werde ich machen wenn ich die Übersetzung von 1:3 auf 1:5 änder. Dann muss ich den Generator sowieso abbauen.
...
 
Avatar
 
Betreff:

Re: Suche simple Not-Aus Funktion

 · 
Gepostet: 28.12.2015 - 18:48 Uhr  ·  #32
ui ... Emitterfolger für Relais zu schalten wäre nicht meine erste Wahl ... würde eher das Relais in den Kollektor und den Transistor als Darlington, damit das sauber schaltet. Freilaufdiode ist korrekt. Besser wäre evtl noch n Schmitttrigger wegen der Hysterese, damit Dein Relais nicht flattert, schont die Kontakte.

Der Emitterfolger hat halt den Pferdefuß, dass Du den Transistor in der Kennlinie betreibst mit entsprechender Verlustleistung auf diesem, fürs Relais ist n hartes Schalten mit übersteuertem Transistor gefälliger
Nutzi
***
Avatar
Geschlecht: keine Angabe
Alter: 55
Beiträge: 27
Dabei seit: 11 / 2015
Betreff:

Re: Suche simple Not-Aus Funktion

 · 
Gepostet: 28.12.2015 - 19:38 Uhr  ·  #33
Sorry, war nicht ganz aktueller Plan, hier nochmal richtig. Das Relais sitzt am Kollektor des Transistors.
Flattern tut das Relais nicht, der Elko halt das einige Sekunden angezogen. Das angesteuerte Relais ist ein 200A Relais für Gleichstrom.


XXLRay
Moderator
Avatar
Geschlecht: keine Angabe
Herkunft: Süd-Niedersachsen
Homepage: xxlray.bplaced.net
Beiträge: 6877
Dabei seit: 11 / 2007
Betreff:

Re: Suche simple Not-Aus Funktion

 · 
Gepostet: 29.12.2015 - 09:24 Uhr  ·  #34
Wenn du dich ein bischen mit Elektronik auskennst, kannst du auch ne PWM mit nem NE 555 und mehreren BUK parallel statt des Schützes machen. Das ist dann etwas weicher. Oder du versuchst mal, das Schützt durch mehrere Leistungstransistoren zu ersetzen. Dann hättest du quasi ne Verstärkerstufe.
Nutzi
***
Avatar
Geschlecht: keine Angabe
Alter: 55
Beiträge: 27
Dabei seit: 11 / 2015
Betreff:

Re: Suche simple Not-Aus Funktion

 · 
Gepostet: 30.12.2015 - 19:58 Uhr  ·  #35
Sorry, keine Ahnung von Elektronik. Meine Kenntnisse reichen grade soweit um Bauteile zu erkennen. Schaltungen verstehen ist was anderes.... Was ist ein BUK ?
XXLRay
Moderator
Avatar
Geschlecht: keine Angabe
Herkunft: Süd-Niedersachsen
Homepage: xxlray.bplaced.net
Beiträge: 6877
Dabei seit: 11 / 2007
Betreff:

Re: Suche simple Not-Aus Funktion

 · 
Gepostet: 05.01.2016 - 10:07 Uhr  ·  #36
danile
*!*!*!*!*
Avatar
Geschlecht:
Beiträge: 569
Dabei seit: 10 / 2011
Betreff:

Re: Suche simple Not-Aus Funktion

 · 
Gepostet: 05.01.2016 - 14:09 Uhr  ·  #37
Hallo,

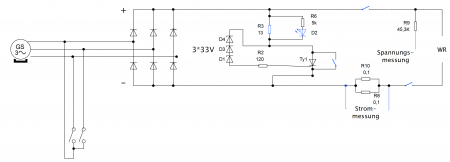
ich möchte mich auch mal zu diesem Thema melden. Bei meiner Anlage ist derzeit auch ein recht einfaches System als "Not-Aus" eingesetzt. Dieses System bremst die Anlage allerdings nicht auf den Stillstand, aber bremst bei einer Überspannung. Und zwar funktioniert dies so.. bei Erreichen der Zener-Spannung und des nötigen Zündstroms schält der Thyristor durch und bleibt so lang eingeschaltet, bis der Mindeststrom unterschritten wird. Der Tyhristor sollte allerdings gut gekühlt werden. Zusätzlich habe ich einen Schalter und eine LED eingebaut, damit man sehen kann, ob der Widerstand zugeschaltet ist und man diese "Sicherung" auch von Hand betätigen kann.
Anhänge an diesem Beitrag
Schaltplan
Dateiname: Schaltplan.png
Dateigröße: 79.91 KB
Titel: Schaltplan
Heruntergeladen: 1288
Gewählte Zitate für Mehrfachzitierung:   0