PNs gleichzeitig an mehrere User

 
wieso
 
Avatar
 
Betreff:

Re: PNs gleichzeitig an mehrere User

 · 
Gepostet: 30.01.2021 - 19:29 Uhr  ·  #21
Che , danke , dass hab ich alles vor ca 7 Jahren gemacht und bin halt zu dem Entschluss gekommen entweder MPPT Laderegler oder GTI , und wie gesagt der GTI hat das dann gemacht, was ich erhofft hatte
Che
*!*!*!*!*
Avatar
Geschlecht:
Herkunft: Wurzen
Alter: 71
Beiträge: 4526
Dabei seit: 06 / 2014
Betreff:

Re: PNs gleichzeitig an mehrere User

 · 
Gepostet: 31.01.2021 - 09:42 Uhr  ·  #22
Hätte trotzdem gern gewusst, wie die Messergebnisse waren. Nämlich weil Deine Ergebnisse offenbar so schlecht sind, dass Du Dich in der Weise geäußert hast, Du kennest keinen, der im Durchschnitt 1 kWh/Tag einfährt.
wieso
 
Avatar
 
Betreff:

Re: PNs gleichzeitig an mehrere User

 · 
Gepostet: 31.01.2021 - 11:40 Uhr  ·  #23
Nee Du , da liegst Du verkehrt , klar gibts Leute die mehr als 1kWh pro Tag generieren im Jahresdurchschnitt

Und meine Anlage war nicht untypisch, wie Du gerne das so hinstellen willst
Zitat
weil Deine Ergebnisse offenbar so schlecht sind


Und ich sag es Dir nochmal , das mit dem GTI war für mich die richtige Entscheidung die Efficienz der Windanlage zu erhöhen , das kannst Du ja selber mitt Schams -Solar besprechen oder nachlesen , welchen Vorteil eine von Batterie entkoppelte Wind-Anlage ist , oder bei Midnite

Auch hier bei Sandy mit 60 kWh Jahresertrag im Jahr 2019 für eine 1000 Euro Anlage , da braucht man dann 6 Stück um auf 1 kWh pro Jahr zu kommen Forum/cf3/topic.php?p=54791#real54791

Aber auch gerne schaust Du hier , und die Turbinen nehme ich an waren alle eher Netzgekoppelt
Aber klar ca 2 von den getesteten schaften das angesprochene "Ziel" von 1 kWh (Nur mein Tagesziel sind 7 kWh pro Tag )

https://www.lowtechmagazine.co…sults.html


Ich gebe Dir gerne Hilfestellung, wie man einen Netzwechselrichter ins Inselnetz einfügt , oder auch via MPPT Laderegler und gerne wiederhol ich mich nochmal , ich hab vor Jahren meine Windturbine einigen Tests unterzogen , auch im Freilauf ohne Batterieanschluss und gemessen hab die richtig gut drehen lassen war wunderbar , aber dann wieder an die Batterie angeschlossen waren die Erträge halt erbärmlich und die Drehgeschwindigkeit geht in Sekunden runter , sodass die Volt auch eingebrochen sind . Deshalb die Entkopplung von der Batterie , und was Midnite als ihren Clipper verkauft , war dann mein Laderegler nicht verbunden mit der Batterie und dessen angeschlossenem Heitzwiederstand , leider oder gutseidank hatte ich das Equip ja schon , nur gehts halt schon bei 29 volt in den Heitzwiederstand ( da der Laderegler halt so eingestellt ist vom Werk, aber er hat auch funktioniert ohne Batterie Anschluss , zu meiner Verwunderung )

schau dir das Diagramm von Schams genau an ;) wohlwahr ist auch ein Verkäufer , aber da sieht man genau das der 12 Volt Turbine "erlaubt " wird , weit über Batteriespannung zu generieren ...



Gruss Lars
Che
*!*!*!*!*
Avatar
Geschlecht:
Herkunft: Wurzen
Alter: 71
Beiträge: 4526
Dabei seit: 06 / 2014
Betreff:

Re: PNs gleichzeitig an mehrere User

 · 
Gepostet: 01.02.2021 - 11:36 Uhr  ·  #24
Entschuldigung, das waren Deine Worte: "Nenn mir bitte ein Beispiel einer Windkraftanlage die im Durchschnitt 1 kWh am Tag leistet , .. ich bin ganz Ohr ;) " Link.
Musste daraus schlussfolgern, dass es bei Dir nicht mehr ist. Wieviel wirklich, dazu am Schluss.

Sandy heran zu ziehen mit seinen 300W-Anlagen, das ist doch kein Vergleich.

Folgendes hat mir cerco geschrieben:

Wir haben hier Daten;
"4 Jahre in Schortens, 10-12 M Höhe auf der Kuhweide im Norden.
Und in der Summe gibt's 600-700 kWh pro Anno , Sunny Data Control , 5.5 m /sec im Schnitt ,4 Anlagen, 1.8 m Dm...

Bei über 6m/sec
wäre mehr zu realisieren..
"


Mit Nachsimulation ermittelt:
Das ist pro Anlage, und ohne smartem Laderegler. An solchen arbeiten die gerade erst.
Mit denen wären etwa bis 1300 kWh/a und Anlage drin.

Systemspannung 24V:
Solltest Du bei 7 m/s im Leerlauf um 44V AC emittelt haben, so wären nach meiner Rechnung etwa doppelt so viel nötig. Weil, die TSR ist im Leerlauf etwa doppelt so hoch wie die Nenn-TSR. Außerdem erfolgt durch (optimale) Belastung mindestens noch ein Abfall von 10%.
Ist die WKA sonst i.O. gibts auch da Lösungsansätze.

Ist das Hochlaufen der Spannung zu gering, würde sich selbst ein Midnite nicht richtig lohnen.
Das Arbeiten mit der lediglich doppelten Spannung beim WindMaxx, wohl dem geschuldet, was die FETs aushalten, ist aus meiner Sicht immer noch gering. Das Dreifache wäre gut.

Und bitte, es gibt zwischen Deinem veröffentlichten Anlagenschema mit Erklährungen und dem Standardtext unter deinen Beiträgen Widersprüche.
WKA: 1000W/1,6kW Da derzeit selbst die 1000W fraglich, wäre es vielleicht sinnvoll, nur den D zu nennen.
GTI ist mit 600W beschrieben aber mit 300W eingetragen.

Zu guter Letzt:
Empfehle, einen billigen Batt-Manager zusätzlich vor zu sehen zur Bestimmung der Jahreserträge Windkraft.
Die können so geschaltet werden, dass sie die erzeugten kWh zählen. Also das, was vom Windrad runter kommt. Beispiel.
Manual im Voraus könntest Du von mir bekommen.
wieso
 
Avatar
 
Betreff:

Re: PNs gleichzeitig an mehrere User

 · 
Gepostet: 01.02.2021 - 17:13 Uhr  ·  #25
Zitat
Zu guter Letzt:
Empfehle, einen billigen Batt-Manager zusätzlich vor zu sehen zur Bestimmung der Jahreserträge Windkraft.


Aber sicher nicht ;) was soll der mir denn erzählen ? Was mein Batterie Monitor nicht schon weiss , oder mein Laptop mit den Inselwechselrichtern verbunden , und die Stromzange ums 70mm2 Windrad DC Kabel ?


Wiedersprüchlicch würde ich es nicht bezeichnen mein Anlagenschema von dir Verlinkt ( da steht oben rechts in der Ecke " this would be the new part in the systhem " , da ich dies in einem Forum besprochen habe (windynation forum) und stimmt meine Windturbine hab ich als 1000 Watt Anlage gekauft bei einer Canadischen Firma , nur haben Sie diese umgetauft auf eine 1600 watt Anlage später , wohl weil sie etwas sauer waren dass andere Firmen ihre Turbinen bei 12 m/S spezifizieren , ihre aber bei 9m/s 1000 watt macht und so ist sie halt verkauft worden bis zur Umstellung auf 12 m/s . Soll ich nun die Händlerangaben der Leistung der Turbine nehmen in meiner Unterschrift? , oder besser einfach nur "Macht weniger als 1 kWh am Tag , was eventuell nicht stimmt , ..... :)

Ich kann dir raten dich mal in die AC coupling Idee einzudenken bei Battery -Hybridanlagen ... ist was tolles am Batterie Monitor bei Nacht beim Fernsehen und Licht an ohne PV ablesen zu können "Zero" Ampere von der Batterie da direkt ins Haus von der Turbine , beruihgt mich das die Batterie mal entspannt ;)

Falls Du Fragen hasst , geb Bescheid

Gruss
Che
*!*!*!*!*
Avatar
Geschlecht:
Herkunft: Wurzen
Alter: 71
Beiträge: 4526
Dabei seit: 06 / 2014
Betreff:

Re: PNs gleichzeitig an mehrere User

 · 
Gepostet: 02.02.2021 - 18:18 Uhr  ·  #26
Die Stromzange ist wohl das Einzige, was temporär zusammen mit der Batt-Spannung die momentane Wind-Leistung errechnen lässt. Wusste garnicht, dass man damit auf einen Jahresenergie-Ertrag kommen kann. ;-)

"Soll ich nun die Händlerangaben der Leistung der Turbine nehmen in meiner Unterschrift?" Vielleicht derzeit nur den Rotor-D. Sagte ich schon.
Turbinenleistung an optimaler Last im Windkanal ist noch lange nicht Anlagenleistung, da dazu der Einsatzfall gehört incl. Art des Ladereglers/GTI.

Mal noch zu Deinem Schema:
1. Ist da the new part inzwischen eingebaut, oder was sonst?
2. Man kann an einen Turbine charge controller gewiss 2 Leitungssysteme ausgangsseitig hin malen.
In Wirklichkeit sind sie beide verbunden, da er nur einen Ausgang hat, nicht wahr.
Wenn das so ist, was also macht Dich so sicher, dass der GTI nur Windstrom verarbeitet und nicht genauso gut Batteriestrom?
wieso
 
Avatar
 
Betreff:

Re: PNs gleichzeitig an mehrere User

 · 
Gepostet: 02.02.2021 - 19:50 Uhr  ·  #27
Zitat geschrieben von Che

Die Stromzange ist wohl das Einzige, was temporär zusammen mit der Batt-Spannung die momentane Wind-Leistung errechnen lässt. Wusste garnicht, dass man damit auf einen Jahresenergie-Ertrag kommen kann. ;-)

"Soll ich nun die Händlerangaben der Leistung der Turbine nehmen in meiner Unterschrift?" Vielleicht derzeit nur den Rotor-D. Sagte ich schon.
Turbinenleistung an optimaler Last im Windkanal ist noch lange nicht Anlagenleistung, da dazu der Einsatzfall gehört incl. Art des Ladereglers/GTI.

Mal noch zu Deinem Schema:
1. Ist da the new part inzwischen eingebaut, oder was sonst?
2. Man kann an einen Turbine charge controller gewiss 2 Leitungssysteme ausgangsseitig hin malen.
In Wirklichkeit sind sie beide verbunden, da er nur einen Ausgang hat, nicht wahr.
Wenn das so ist, was also macht Dich so sicher, dass der GTI nur Windstrom verarbeitet und nicht genauso gut Batteriestrom?


Jahresertrag intressiert mich nicht , denn ich hab keine 365 Tage Batterie !!

Was für einen Schelss fragst Du mich nun auch , nachdem du gesagt hast das die Rückstromdiode falsch ist !! Das ist/war eine fachliche sehr gefährliche Aussage von Dir und sicherlich zeigt dies deine Unerfahrenheit in diesem Bereich ! Nochmal zum Verständniss Plus Kabel und Minus Kabel der Windturbine an einen GTI und ins Hausnetz eingespeist bei ca 20 Volt Anlauf gings los (Drehzahl weiss ich nicht) die Windturbine ist nicht mit der Batterie verbunden, (wegen der diode )
Che
*!*!*!*!*
Avatar
Geschlecht:
Herkunft: Wurzen
Alter: 71
Beiträge: 4526
Dabei seit: 06 / 2014
Betreff:

Re: PNs gleichzeitig an mehrere User

 · 
Gepostet: 03.02.2021 - 17:01 Uhr  ·  #28
Du kommunizierst hier mit einem, der auch einen Berufsabschluss als Elektromonteuer hat.
Aber auch ohne den kann man erkennen, dass es eben nicht so ist "die Windturbine ist nicht mit der Batterie verbunden, (wegen der diode )" zumindest nicht in Deiner Darstellung.

Gewiss hat der GTI eine Funktion, nämlich dass er die Ausgangsleistung der Off-Grid Inverter geringfügig erhöht, da er hinter ihnen nochmal bis zu 600W (?) einspeist. Das, so wie dargestellt, ohne dass es vom Batteriemonitor gezählt wird.

Die Diode soll doch Rückflüsse vom 230V AC Niveau zur Batterie/ In den Turbinen-Laderegler vermeiden, wenn irgendwas schadhaft ist. So hatte ich Dich verstanden.
Kann sie aber nur zu 50%, da es eben 230V AC ist.
Wieso wurde sowas in anderen Foren nicht erkannt?

Sicherheit bringen hier Sicherungen. Im AC-Kreis, bei 600W vielleicht 3 bis 4 A.

Da hat einer einen 6m/s Standort und interessiert sich nicht für das, was vom Windrad runter kommt. Schon sonderbar.
Dabei ist es vermutlich garnicht so wenig. Wenn kein Anlauf unter 5 m/s, dann psychologisch nachteilig aber energetisch eher marginal. Ein 2,2 m D Windrad hätte bei 5 m/s lediglich um 100W.
Könnte Dir die fehlende Jahresenergiemenge ausrechnen, wenn Du endlich mal Deinen Durchmesser preis gibst.

Empfehle Dir, das so um zu bauen:

 


kWh-Zähler z.B. der preiswerte Batt-Monitor, den ich letztens verlinkt habe.

Sollte die Verbindung zur Batterie bisher nicht drin sein, so darf ich erwarten, wenn Du schon Dein Anlagenschema veröffentlichst, dass das auch stimmt!
Menelaos
Administrator
Avatar
Geschlecht:
Herkunft: Elsfleth
Alter: 40
Beiträge: 4967
Dabei seit: 04 / 2007
Betreff:

Re: PNs gleichzeitig an mehrere User

 · 
Gepostet: 03.02.2021 - 17:12 Uhr  ·  #29
Interessant aber total Offtopic - dann schlagt mir mal vor vo ich das jetzt hinkopieren darf...

vg
wieso
 
Avatar
 
Betreff:

Re: PNs gleichzeitig an mehrere User

 · 
Gepostet: 03.02.2021 - 18:47 Uhr  ·  #30
Also Nochmal und hoffe Du verstehst es dann ;)

-Ich hab hier keine Frage gestellt die ich beantwortet haben will !
- Nochmal die Skitze war in der planungsphase und ist nicht 1 zu 1 so umgesetzt
- Ich hab die nun oft genug gesagt dass ich mit meiner Lösung gut fahre
- Ich will nix veändern
-Ich brauch keinen kWh Zähler

Und weiterhin liegst Du komplett daneben in deiner Behauptung die Diode wäre fur 230 Volt AC zuständig , denn sie ist zuständig DC Volt Ruckfluss zu unterbinden

Wenn ich Dir helfen kann mal so ein Systhem zu entwickeln

Sag Bescheid ;)

-
Che
*!*!*!*!*
Avatar
Geschlecht:
Herkunft: Wurzen
Alter: 71
Beiträge: 4526
Dabei seit: 06 / 2014
Betreff:

Re: PNs gleichzeitig an mehrere User

 · 
Gepostet: 04.02.2021 - 11:26 Uhr  ·  #31
Dann ist es eben für die, welche mitlesen, und sich ggf. darauf beziehen.

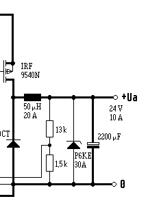
Wenn man vermeiden will, dass die Batterie den GTI (Grid Tie Inverter) ebenso speist, dann muss eine Diode eingefügt werden, wie folgt:

 


Sollte eine Schottky-Diode sein mit ausreichender Stromfestigkeit, bis Sperrspannung 40V. Darüber verlieren sie ihre sprichwörtlich niedrige Flussspannung zunehmend. Sie ist auch vom Durchflussstrom abhängig.

Dieser Windturbinen-Laderegler arbeitet, so beschrieben, auch ohne erreichbare Batterie. (Muss aber nicht immer funktionieren.)

Da sich dessen Ladeend-Spannung nicht höher als 29V einstellen lässt, und die Diode das noch einmal um ca. 0,5V reduziert,
bliebe als Einziges, die Endspannungen der PV-Laderegler auch etwas runter zu nehmen. Dann versagt aber die Vermeidung der Säureentmischung durch zeitweise Gasung. Müsste ersetzt werden durch Umwälzung mittes Fremdluft ("Aquarienlüftung"). Das macht allerdings zusätzlichen Aufwand.

Da aber wohl eh Zyklen mit bis 20% Entladung gefahren werden, würde auch beim bisherigen Batt.-Management das Windrad
bei der Ladung zeitweise mithelfen. Dann nämlich, wenn gerade nicht Gegast wird.

Ein Windrad jedenfalls, welches nur Energie abgegben kann, wenn welche verbraucht wird, ganz ohne Speichermöglichkeit, führt in einem Inselnetz ein trauriges Dasein.
Carl
*!*!*!*!*
Avatar
Geschlecht:
Alter: 79
Beiträge: 5172
Dabei seit: 11 / 2008
Betreff:

Re: PNs gleichzeitig an mehrere User

 · 
Gepostet: 04.02.2021 - 12:23 Uhr  ·  #32
Abgesehen davon das Max vollkommen recht hat wenn er verwundert fragt was das Batteriethema im Thread: "PN s an mehrere Nutzer gleichzeitig" zu bedeuten hat, Lars hat doch bereits gesagt wozu die Diode dienen soll: Zitiere:

"Und weiterhin liegst Du komplett daneben in deiner Behauptung die Diode wäre fur 230 Volt AC zuständig , denn sie ist zuständig DC Volt Ruckfluss zu unterbinden" Zitat Ende.

Und ja, Rückfluss von der Batterie in den Grid Tie Inverter. Was gibt es da für andere Mitleser dasselbe nochmal zu wiederholen "weil Lars es angeblich nicht versteht?"
wieso
 
Avatar
 
Betreff:

Re: PNs gleichzeitig an mehrere User

 · 
Gepostet: 04.02.2021 - 13:56 Uhr  ·  #33
Ah so hasst es nun verstanden mit der DC Blocking Diode ;) , wenn du mein Beispiel schon hernimmst , und denkst Du müstest Da rumdocktern , dann halte Dich bitte daran was ich gesagt habe .

Absolut Banane , den billig China Windrad , die "Vorfahrt" zu geben bei der notwendigen Ladung im Winter bis ca 31 Volt (temperaturkompensiert) und meine 2 Outback Laderegler, diesem Krücken Laderegler unterzuorden , sowohl auch den Laderegler in den Victron Multiplus runtergegeln zu müssen , die den Notstrom Generator regeln , wäre voll Panne , die viel verlässlichere Sonne so zu amputieren wie Du es vorschlägst und die Ladekennlinie die genau programierbar sind je nach Batterietyp einem sehr einfachen Windladeregler unterzuodnen . Das ist unterlassene Batteriepflege !
Und absolut sinnfrei die PV runterzudrosseln auf täglicher Basis nur weil, die launige Windturbine mal etwas in die Gänge kommt, deshalb den Ertrag ( mit deinem kWh Meter Vorschlag zur Ermittlung des Ertragen von der Windturbine) den vergebenen Ertrag von der PV wieder von diesem abziehen muesste .... in einem sochen Hybridsysthem .

- Weiterhin , vielleich versehst Du es irgendwann, die Windturbine hat sehr wohl nach dem GTI Einbau viel besser mitgeholfen und während die 2 x Outback MPPT Laderegler temperaturkompensiert bis 31 Volt oder mehr während der Equalizing charge hat die Windanlage freudig das Haus via GTI direct mit 230 Vot AC mitversorgt und deshalb auch direkt an der Batterie Ladung bis 31 Volt mithelfen können , (anstatt bei 28-29 Volt schon teilweise abgeregelt hat ) da die Outback MPPT und das 4 kw PV mehr in Ruhe gelassen werden mit der Hausversorgung, genauso wie der Inselwechselrichter dann eher bei Grundlastversorgung (durch die Windanlage) des Hauses cool geblieben ist . Also da durch ist eine stetigere Batterie Volladung entstanden
Aldo nochmal zu Deinem Verständniss , der GTI hat die Windkraftanlage sowohl im untern Drehzahlen Bereich ab 20 Volt schon mitgeabeitet ( dass hätte sie sonst nicht , ohne Gti wohl meist erst ab 26 volt ) , aber auch bei höherer Batterie Spannung ab 28-29 Volt noch was gebracht .
Selbst bei vollgeladener Batterie , wenn die Laderegler in Erhaltungs-Ladung(float) gehen , hat die Winturbine ja weiterhin das Haus direkt mitversorgt , auch diesen Mehrertrag musst Du von deinem vorgeschlagenem kWh Zähler der Windturbine dann abziehen ( in einem Hybrid Systhem ohne GTI)

Mach doch einfach einen Thread auf hier , und design doch einfach mal eine fiktive Hybrid- Inselanlage für ein sparsames Einfamilienhaus mit einem Duchschnitts Windstandort in Germany vor , so wie Du es machen würdest .

Wär doch am einfachsten ;)
Che
*!*!*!*!*
Avatar
Geschlecht:
Herkunft: Wurzen
Alter: 71
Beiträge: 4526
Dabei seit: 06 / 2014
Betreff:

Re: PNs gleichzeitig an mehrere User

 · 
Gepostet: 04.02.2021 - 14:01 Uhr  ·  #34
Wenn wir Dich nicht hätten Carl, und die großen Kartoffeln.
Lars, Deins lese ich mir später durch. Da alles auf der "falschen Wiese" (aber nicht von mir so begonnen), wird es Max wohl verschieben.
Che
*!*!*!*!*
Avatar
Geschlecht:
Herkunft: Wurzen
Alter: 71
Beiträge: 4526
Dabei seit: 06 / 2014
Betreff:

Re: PNs gleichzeitig an mehrere User

 · 
Gepostet: 04.02.2021 - 14:56 Uhr  ·  #35
Lars, es ist nachvollziehbar, wie sich das bei Dir entwickelt hat.
Mir ist auch klar, dass Du nicht auf Belüftung umstellen wirst.
Dennoch würde vermutlich nach meinem Vorschlag dennoch etwas gespeichert werden können, nämlich dann, wenn in den Zellen gerade nicht gegast wird.

Zur Schädlichkeit oder nicht von häufiger Gasung werde ich gesondert bei <Bleiakkumulatoren> nach fragen.
Bis zum Vorliegen von gegenteiligen Quellen scheint es nicht schädlich zu sein. Lassen wir es vorläufig mal so stehen.

Bezüglich Würdigung der Ergebnisse vom kWh-Zähler Windkraft:
Die müssten zu dem vom Batterie-Manager hinzu gezählt werden und nicht abgezogen. Aber egeal. Willst offensichtlich garnicht wissen, wie wenig das bisher wäre.

Mit heutigen Komponenten würde sich das so bezüglich Windkraft vermutlich nicht mehr nachbauen lassen.
Alleinen schon der Wind-Laderegler:
Wenn der automatische Batterie-Spannungserkennung hat, würde vermutlich so eine Trenndiode das verhindern.

Dann der GTI für Solar, an Windkraft betrieben:
Wenn die heutigen dieses totale Abfahren der gesamten Kennlinie incl. Kurzschluss, alle paar Minuten, haben,
dann ist es in dieser Anwendung für Windkraft auch vorbei.

Was wir beide wissen:
Eine gute, aber auch teurere Lösung wäre gewiss ein Wind-Laderegler mit MPPT, in den Spannungen einstellbar.
Dann wird der GTI überflüssig.

Ein eigenes Thema dazu werde ich nicht eröffnen, sondern nur reagieren, wenn danach gefragt wird.
Brauche aber wohl nicht lange warten, da schon erfolgt.
wieso
 
Avatar
 
Betreff:

Re: PNs gleichzeitig an mehrere User

 · 
Gepostet: 04.02.2021 - 18:05 Uhr  ·  #36
also wenn Du kein Intresse hasst selber mit Konzepten zu kommen oder mit Beschreibung (D)einer Anlage , dann ist es sinnlos hier weiterzumachen
Ich sagte ja nur erstmal zum Thema hier "Personal Nachricht" , das ich endlosen lange PN (zb von Dir) nicht will und am Wert eines Forums vorbeischiesst ( bei Fach bezogenen Themen , die gehöhren eher ins Forum , als andere Messages, die eher privat sind )
Also verehrte MODERATOREN, bitte gerne den Thread bereinigen bzw abtrennen (aber da wisst Ihr besser Bescheid ( nur steig ich dann aus , wenn es im Thread nur um meine Anlage geht ) , und bitte meinen Fehler den ich gemacht habe, das ich eine PN von Che hier gepostet habe (um die es nur um meine Anlage ging und nichts anderweitiges ) , da das keine gute Manier war von mir, zu entschuldigen .

Deshalb mein Vorschlag , dass Du mal Che, eine Anlage vorstellst bzw ein neuer Thread über "Hybrid -Anlagenplanung im Insel bzw Batteriegestützten Anlagen" zb ) , dann kann man ja kontstuktiv mal an einem Thread arbeiten ! Wie Mensch sowas plant , bin ich gerne dabei da mitzudenken

Und nochmal ein 2000 Euro Midnite classic mit Clipper also 2 mal der Preis von meiner gebrauchten Windturbine , kam sicherlich nicht in Frage , und ausserdem der macht auch "nur" wie im Datenblatt beschrieben " Buck (runterladen) or Boost (raufregeln zur Batterie Volt) DC to DC converter operation available" also war das kein Thema dann mehr rauszufinden ob der dann bei Schwachwind wirklich läd mit meiner Turbine "just for the fun of spending 2000 Euro " .... die selbe Thematik kätte ich ja dann auch gehabt mit der Blocking Diode zum Clipper (deren Dump ) , und AC-coupling kam da erst in Fahrt damals bei Inselanlagen ,war dann wirklich reitzvoller das zu Testen, auch nachdem Victron( vor ihrer Zeit mit AC-coupling) mir gesagt hat "Probiere es, es klappt " die 300-4 Euro für den GTI in die Anlage einzufügen als Test , dannach hab ich nur gegrinst , das das alles so sicher und effectiv geklappt hat
Che
*!*!*!*!*
Avatar
Geschlecht:
Herkunft: Wurzen
Alter: 71
Beiträge: 4526
Dabei seit: 06 / 2014
Betreff:

Re: PNs gleichzeitig an mehrere User

 · 
Gepostet: 05.02.2021 - 16:37 Uhr  ·  #37
So viel Anstand ist schon fast rührend. Dabei kann von wirklicher Schuld eigentlich keine Rede sein. War eher nur ein Fehlgriff.

Mich einzuladen zu einer Beitragsserie betrachte ich fast als Ritterschlag. Wird aber bleiben, wie von mir geschildert.
Der unter <Inselbetrieb> nach ner Standardlösung nachgefragt hat, meint aber nur was Kleines für den Garten, mit den üblichen Anfangsillusionen und unter Ausblendung der Tatsache, dass im Garten doch i.A. in den lichtstarken Monaten gewerkelt wird.
Sprich, in Erster Linie an PV zu denken, wurde versäumt. Werd ihm das mal flüstern.

Deine ominöse Diode nochmal:
Es gibt eine Version von Down-Konvertern, die würden ohne eine solche in beiden Richtungen funktionieren (wurde mir gesagt). Also auch rückwärts.
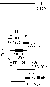
Dann nämlich, wenn die Schottkydiode hier links an der Drossel

 


ersetzt wird durch ein weiteres FET, wie z.B. hier.

 


Bzw. wenn das 2. FET vom selben Leitungstyp ist, wie das 1. und über ne Bootstrap-Schaltung angesteuert wird.

Macht Sinn bei geringen Ausgangsspannungen, da die Flussspannung über ein durchgesteuertes FET noch einmal um Einiges geringer ist, als selbst bei einer Schotky-Diode. (Schaltungsdetails entnommen bei Jörg Rehrmann)

Dass ein PV-GTI einen Down-Wandler enthält, würde mich wundern. Muss doch aufwärts gewandelt werden, mit "Transformator" bis 230V AC.
Ist aber möglich, dass solche Gedanken sich auch bei Betrieb dessen eingeschlichen haben.

Wenn Du bei Deiner Diode nie eine Sperrspannung, sondern immer nur eine Flusspannung, also unter 1 V DC, fest stellst, dann könnte sie auch weg bleiben.

Ich würde sie sonst unter Meinungs- oder sogar Glaubensfreiheit verbuchen. :-)
Aber gerade bei Letzterem: Wenn man sonst schlecht schlafen kann, dann macht man sie eben rein.
Verluste beim 24V-System sind eher gering.

Wenn das konsensfähig ist, können wir auch von meiner Warte aus den Disput beenden.
wieso
 
Avatar
 
Betreff:

Re: PNs gleichzeitig an mehrere User

 · 
Gepostet: 05.02.2021 - 17:57 Uhr  ·  #38
Wie gesagt , mach einen Vorschlag einer Anlagenplanung

Die Blocking Diode und den Gti hab ich 2011 angeschlossen , seitdem läufts ;)
kwk
Administrator
Avatar
Geschlecht: keine Angabe
Alter: 65
Beiträge: 4
Dabei seit: 06 / 2009
Betreff:

Halloooo, was geht denn hier ab...?

 · 
Gepostet: 17.02.2021 - 19:22 Uhr  ·  #39
Das Thema war was anderes und ich bitte doch darum in den passenden Rubriken und beim Thema zu bleiben.

In einer früheren Forenversion konnte ich die Funktion an- und abschalten. Jetzt kann ich das auch nicht wieder finden.
Allerdings hatte ich es vor einigen Jahren absichtlich abgeschaltert, da es immer mal wieder so Spammer gibt die in Mengen mit Müll um sich werfen.
Zweimal ist es passiert, das ein Wächtersystem beim Provider die Webseite gesperrt hat weil "verdächtig" viele Posts in Sekunden über meinen Account liefen.

Es sollte in der regel keinen Grund geben irgendwelche Informationen "verdeckt" an viele User zu verteilen. Hast Du wichtige Informationen dann stell sie in den entsprechenden Thread und die Leute werden es lesen.
Alternativ muss man sichhalt mal etwas mehr Arbeit machen und das Post mit Copy & Past halt mehrfach verschicken.

Alles klar?

Zu dem Thema ist dann jetzt ja alles gesagt und erklärt worden. Der Thread kann dann ja jetzt geschlossen werden.

Lieben Gruß Uwe
Gewählte Zitate für Mehrfachzitierung:   0